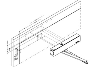
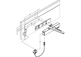
TS 4000 E * Górny samozamykacz z ramieniem nożycowym do drzwi jednoskrzydłowych o szerokości skrzydła do 1400 mm z elektrycznym podtrzymaniem położenia otwarcia
- Bezstopniowa regulacja siły zamykania EN1-6
- Napięcie robocze 24 V DC
- Możliwość stosowania na drzwiach prawych i lewych bez konieczności przestawiania
- Elektryczne podtrzymanie położenia otwarcia z zakresem podtrzymania otwarcia 80°-175°
- Elektryczne podtrzymanie położenia otwarcia odpowiednie zgodnie z EN 1155 do mechanizmów podtrzymania położenia otwarcia
- Mechaniczna końcowa fazy zamykania, która przyspiesza drzwi tuż przed położeniem zamkniętym
- Prędkość zamykania można dostosować indywidualnie
- Optyczny wskaźnik siły zamykania do lekkiego kontrolowania ustawienia
- Wszystkie funkcje regulowane z przodu (oprócz końcowej fazy zamykania)
Obszary zastosowań
- Drzwi przeciwpożarowe i dymoszczelne
- Prawe i lewe drzwi przymykowe
- Drzwi przymykowe o szerokości skrzydła do 1400 mm
- Montaż na skrzydle po stronie zawiasowej i montaż na ramie po stronie przeciwzawiasowej
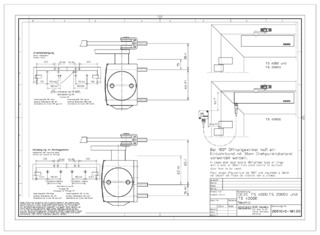
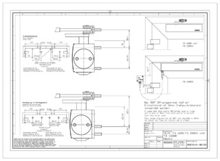
Specyfikacje produktu
| TS 4000 E | |
| Siła zamykania wg EN 1154 | EN 1 - 6 |
| Bez barier wg DIN 18040 do szerokości skrzydeł (maks.) w mm | 1400 mm |
| Szerokość skrzydła (maks.) | 1400 mm |
| Rodzaj montażu | Montaż na skrzydle po stronie zawiasowej, Montaż na ramie po stronie przeciwzawiasowej |
| Kąt otwarcia (maks.) | 180 ° |
| Napięcie wejściowe | 24 V DC |
| Przystosowanie drzwi przeciwpożarowych | Tak |
| Regulowana siła zamykania | Tak, bezstopniowo |
| Regulacja prędkości zamykania | Tak |
| Regulowana końcowa faza zamykania | Tak, przez ramię nożycowe |
| Pozycja ustawienia siły zamykania | Z przodu |
| Wskaźnik optyczny siły zamykania | Tak |
| Położenie zablokowane | Elektryczne |
| Zakres podtrzymania otwarcia | 80 ° - 175 ° |
Do pobrania
LABELLING OBLIGATION: © GEZE GmbH
Warianty i akcesoria
* Informacja o prezentowanych produktach
Produkty opisywane powyżej w zależności od kraju mogą mieć inny kształt, typ, charakterystykę i funkcjonalność (konstrukcję, wymiary, dostępność, dopuszczenia, normy itp.). W razie pytań prosimy o kontakt z osobą do kontaktu w firmie GEZE lub przesłanie nam E-Mail .