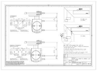
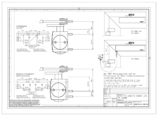
TS 4000 EN 1-6 * Samozamykacz z ramieniem nożycowym do drzwi jednoskrzydłowych o szerokości skrzydła do 1400 mm
- Bezstopniowa regulacja siły zamykania EN 1-6
- Możliwość stosowania na drzwiach prawych i lewych bez konieczności przestawiania
- Mechaniczna końcowa fazy zamykania, która przyspiesza drzwi tuż przed położeniem zamkniętym
- Prędkość zamykania można dostosować indywidualnie
- Zintegrowane tłumienie otwierania, wyhamowuje drzwi otwierane z dużą siłą
- Optyczny wskaźnik siły zamykania do lekkiego kontrolowania ustawienia
- Wszystkie funkcje regulowane z przodu (oprócz końcowej fazy zamykania)
Obszary zastosowań
- Drzwi przeciwpożarowe i dymoszczelne
- Prawe i lewe drzwi przymykowe
- Drzwi przymykowe o szerokości skrzydła do 1400 mm
- Montaż na skrzydle po stronie zawiasowej
- Montaż na ramie po stronie przeciwzawiasowej
- Do montażu na ramieniu równoległym na skrzydle drzwi po stronie przeciwzawiasowej
Specyfikacje produktu
| TS 4000 EN 1-6 | |
| Siła zamykania wg EN 1154 | EN 1 - 6 |
| Bez barier wg DIN 18040 do szerokości skrzydeł (maks.) w mm | 1100 mm |
| Szerokość skrzydła (maks.) | 1400 mm |
| Rodzaj montażu | Montaż na skrzydle po stronie zawiasowej, Montaż na ramie po stronie przeciwzawiasowej |
| Kąt otwarcia (maks.) | 180 ° |
| Przystosowanie drzwi przeciwpożarowych | Tak |
| Regulowana siła zamykania | Tak, bezstopniowo |
| Regulacja prędkości zamykania | Tak |
| Regulowana końcowa faza zamykania | Tak, przez ramię nożycowe |
| Tłumienie otwierania zintegrowane | Tak, regulacja hydrauliczna |
| Pozycja ustawienia siły zamykania | Z przodu |
| Wskaźnik optyczny siły zamykania | Tak |
| Położenie zablokowane | Opcja |
Do pobrania
Warianty i akcesoria
* Informacja o prezentowanych produktach
Produkty opisywane powyżej w zależności od kraju mogą mieć inny kształt, typ, charakterystykę i funkcjonalność (konstrukcję, wymiary, dostępność, dopuszczenia, normy itp.). W razie pytań prosimy o kontakt z osobą do kontaktu w firmie GEZE lub przesłanie nam E-Mail .